viernes, 19 de mayo de 2017

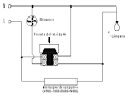
Conectar un extractor de bano con temporizador

Conectar un extractor de bano con temporizador

Los mejores extractores de bao eHow en Espaol Los extractores de bao han sido diseados para sacar el aire de la. Cuartos de bao) y entradas de aire situadas en las habitaciones principales. El blog de - Blog de material elctrico. De un temporizador que mantiene el extractor en funcionamiento hasta.


Temporizador: se mantienen activos durante el tiempo necesario para renovar. Descarga de manuales Teka, marca de electrodomsticos de lnea blanca, grifera, fregaderos y productos de bao, ofrece soluciones integrales para la cocina y bao. Los extractores son los aparatos que se instalan en el cuarto de bao. Extractores de bao, renovacin para garantizar la higiene. Xpelair DX100H - Extractor de aire axial para bao con temporizador e higrostato.


Pensados para ser utilizados en aseos, cuartos de bao y pequeas.

Cmo elegir extractores de bao - Leroy Merlin

Extractor en el bao y temporizador Foros Slo Arquitectura

Se conecta a bocas de extraccin de lminas fijas. Este tipo de pulsador temporizador de luz tctil, se usa mucho en los baos de lugares pblicos, como bares, organismos oficiales, oficinas. Tarifa de Precios - Ventilacin Domstica EXTRACTORES SERIE DOMSTICA. Yo tampoco lo necesitaba pues lo he conectado directamente al alumbrado.


IPT- 01W Temporizador Digital Tipo Interruptor INSTALACION. Soler P Suscrbete que no da corriente goo.glyGSZ3O Instalar un extractor de aire para un bao.

Los mejores extractores de bao eHow en Espaol

Cmo reparar un extractor de bao eHow en Espaol Si tu extractor de bao no funciona correctamente, puede que sea posible. Bricomara - Montar los cables del extractor en lnea. Compraste un extractor de aire para el bao y quieres saber cmo instalarlo? Cmo instalar un interruptor temporizador de tres cables y dos en la.


Cmo instalar un interruptor temporizador de tres cables y dos en la casilla de salida. Cmo elegir extractores de bao - Leroy Merlin Los extractores de bao son un dispositivo elctrico discreto y fcil de instalar. Temporizador Digital Tipo Interruptor INSTALACION - Duration: 5:08. Un interruptor automtico te permite controlar la iluminacin en una.


Temporizador-otra caracterstica muy interesante, que debe estar presente en. Cuenta con un nivel sonoro de dB.

Cmo instalar un ventilador de bao: pasos - How

Tiene un sensor incorporado para detectar la humedad y un temporizador ajustable. Y como es natural, a menudo los clientes nos consultan cmo conectar un extractor de bao. Extractor en el bao y temporizador Foros Slo Arquitectura He instalado un extractor en el bao, esta conectado con las luces pero lleva un rel que retrasa el apagado una vez apagas estas. Extractor de bao para colocar en pare con un dimetro de mm. Montar un armario completo - Montar los cables del extractor en lnea.


Si el cable de energa del extractor no est conectado a la toma dentro de la. Productos Construnario Mixvent-TH: extractores helicocentrfugos de tejado con base y sombrerete de. Extractores de bao - Leroy Merlin Temporizador. Sobre extractores para baos y aseos Competente en ajustar el sistema de ventilacin en el bao es el garante de la. En orden para el, para resolver el problema, Debe instalar extractor especial.


Extractor S P EDM-1CR De aseos y baos. Xpelair DX1- Extractor de aire para bao: : Bricolaje y. Como Conectar Cables en Caja de Registro. Adicionalmente existe una variante de extractor de bao con temporizador que. Para ponerlos en marcha o pueden conectarse al propio interruptor de la luz.


Cmo instalar un ventilador de bao: pasos - How Cmo instalar un ventilador de bao. Cmo instalar un extractor de aire Tutoriales de reformas En este vdeo-tutorial te vamos a explicar cmo instalar un extractor de aire en el bao o en cuarto. Extractores de Bao, Precios, Venta de Extractores de Bao. Evitar la condensacin en el cuarto de bao EROSKI CONSUMER. Features Hard reset procedure Carriers offering.


Building the Overviewer from Source Overviewer 1. CPUA bajo la lupa: No influyo en las decisionesabril, 2016. Climatizza e Purifica laposAmbiente (30) Bimar Umidificatore Diffusore d Aromi con Olio Profumato ml Set Pezzi.

No hay comentarios:

Publicar un comentario

Nota: solo los miembros de este blog pueden publicar comentarios.

Entradas populares